Nieuw Honda SS50 project

Zet hier je foto('s) van je brommer(s) neer
Gebruikersavatar
nielspbr
Mr Kockengen
Berichten: 16882
Lid geworden op: 02 mar 2009 17:50
Bezit: Een apenfamilie en een bamibal.
Locatie: Kockengen

Re: Nieuw Honda SS50 project

Bericht door nielspbr »

Moet nog ergens een keuringsverhaal van Niek is ik staan... Er is een zoekfunctie op dit board.
NIX
chaly addict
Berichten: 19565
Lid geworden op: 27 jan 2007 21:21
Bezit: Een hamer
Locatie: Milsbeek

Re: Nieuw Honda SS50 project

Bericht door NIX »

waldrocker schreef:
FJC schreef:hier staat alles wat je moet weten

http://www.4takt.net/viewtopic.php?f=14&t=21295
Dank je, daar kunnen we ook in duiken maar heeft iemand al eens een keuring gedaan en testen ze het vermogen ook? Dus zou iemand zijn keuring kunnen vertellen.
Er staan hier tig keuringsverhalen op het board. Op de rollen wordt de snelheid gemeten. Zorg dat je niet boven de 55 uitkomt. Staat allemaal in verschillende artikelen, ook de hier genoemde.
Stel je kleppen en kijk eerst even in de FAQ.
waldrocker
Frequent 4T-MSB visitor
Berichten: 95
Lid geworden op: 03 nov 2010 03:56
Bezit: Honda SS50 K1
Locatie: Fryslan

Re: Nieuw Honda SS50 project

Bericht door waldrocker »

Eric schreef:Je kan de krukas zodanig zetten dat die in lijn staat met het schroefdraad in de cilinder en het streepje in de kop. Maar het is veel makkelijker om gewoon even het vliegwiel erop te drukken en het dan op "t" te zetten. Dan de "o" van het tandwiel net boven of in lijn met het streepje in de kop. Daarna wip je het tandwiel op de nok, nog een keer de timing controleren, en dan aan het vliegwiel draaien tot de gaten van de nokkenas vrij zijn, zodat je de bouten erin kan draaien.
Hallo Eric,

Bedankt voor je input, ik geloof dat ik het nou goed heb.
Bijlagen
SAM_0919.JPG
SAM_0920.JPG
Laatst gewijzigd door waldrocker op 07 feb 2012 13:40, 2 keer totaal gewijzigd.
Gebruikersavatar
nielspbr
Mr Kockengen
Berichten: 16882
Lid geworden op: 02 mar 2009 17:50
Bezit: Een apenfamilie en een bamibal.
Locatie: Kockengen

Re: Nieuw Honda SS50 project

Bericht door nielspbr »

Tip voor de kijkers, de onderste foto een kwart naar rechts draaien. ;)

edit: nu staat die goed...
waldrocker
Frequent 4T-MSB visitor
Berichten: 95
Lid geworden op: 03 nov 2010 03:56
Bezit: Honda SS50 K1
Locatie: Fryslan

Re: Nieuw Honda SS50 project

Bericht door waldrocker »

nielspbr schreef:Tip voor de kijkers, de onderste foto een kwart naar rechts draaien. ;)
Zo ziet het beter, bedankt voor de tip :P
waldrocker
Frequent 4T-MSB visitor
Berichten: 95
Lid geworden op: 03 nov 2010 03:56
Bezit: Honda SS50 K1
Locatie: Fryslan

Re: Nieuw Honda SS50 project

Bericht door waldrocker »

Hello boys and girls,

Vandaag een beetje aan het pielen geweest. Ik heb het blokje er weer onder gehangen en ben bezig met de carburateur en de trap inrichting. Alleen kan ik er niet achter komen wat voor grote de carburateur is. Er staan geen nummers en/of markeringen op. Hoe kom ik daar achter? Kun je dat meten en hoe?
Bijlagen
SAM_0925.JPG
SAM_0924.JPG
SAM_0923.JPG
SAM_0922.JPG
SAM_0921.JPG
waldrocker
Frequent 4T-MSB visitor
Berichten: 95
Lid geworden op: 03 nov 2010 03:56
Bezit: Honda SS50 K1
Locatie: Fryslan

Re: Nieuw Honda SS50 project

Bericht door waldrocker »

Blok en frame weer samen gevoegd, en ketting op lengte gemaakt en achter rem gefixt.
Bijlagen
SAM_0927.JPG
SAM_0926.JPG
butt head
moppersmurf
Berichten: 9094
Lid geworden op: 28 jan 2007 21:51
Bezit: paar brommers
Locatie: Zelhem

Re: Nieuw Honda SS50 project

Bericht door butt head »

ziet er uit als een 19mm

maar maak hem is schoon. ga langs de wibra en koop een fles dasty en een tandenborstel. in spuiten schrobben nog een keer in spuiten nog meer schrobben en af spoelen met water.
ik praat niet alleen maar poep


bami = bami. troep = troep.
waldrocker
Frequent 4T-MSB visitor
Berichten: 95
Lid geworden op: 03 nov 2010 03:56
Bezit: Honda SS50 K1
Locatie: Fryslan

Re: Nieuw Honda SS50 project

Bericht door waldrocker »

Moet je voor wat betreft de carb de opening meten van de lucht inlaat? Is dat dan de maat voor de carb?
NIX
chaly addict
Berichten: 19565
Lid geworden op: 27 jan 2007 21:21
Bezit: Een hamer
Locatie: Milsbeek

Re: Nieuw Honda SS50 project

Bericht door NIX »

Op het nauwste deel in de hoogte meten.
Stel je kleppen en kijk eerst even in de FAQ.
Eric
zoomerlover
Berichten: 3247
Lid geworden op: 20 dec 2011 00:15
Bezit: Een corsa 1.0 12V

Re: Nieuw Honda SS50 project

Bericht door Eric »

Jmmer dat die bok al gespoten is. Eigenlijk had je die op de bovenkant iets op moeten lassen zodat de hoek wat rechter is. Nu zakt hij te ver door en staat hij waarschijnlijk een beetje wankel.
Heeft iemand nog een C4.0SE blok van en Opel liggen? Dus niet de C3.0SE!!!
hypercub
The 4T-MSB is my life!
Berichten: 1884
Lid geworden op: 28 jan 2007 09:22
Bezit: CY50 R&P
Locatie: Knastaksel, `s zomers in knoesterveen

Re: Nieuw Honda SS50 project

Bericht door hypercub »

NIX schreef:Op het nauwste deel in de hoogte meten.
Meet de hoogte op het smalste punt, en de breedte, tel die 2 bij elkaar op en deel door 2.
Life is too short for lousy coffee.
René
Admin
Berichten: 1962
Lid geworden op: 15 jan 2007 14:01
Bezit: Little Cub, Chaly, SS50
Locatie: De Bilt

Re: Nieuw Honda SS50 project

Bericht door René »

Gaat het eigenlijk niet om de oppervlakte van het gat en is dat eigenlijk zowat onmogelijk op te meten?
waldrocker
Frequent 4T-MSB visitor
Berichten: 95
Lid geworden op: 03 nov 2010 03:56
Bezit: Honda SS50 K1
Locatie: Fryslan

Re: Nieuw Honda SS50 project

Bericht door waldrocker »

Hallo Luitjes,

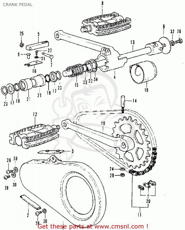
Ik ben vandaag weer een beetje bezig geweest. De trap inrichting heb ik bijna klaar alleen mis ik nog wat onderdeeltjes. Heeft iemand van jullie nog de nummers 17(40240-044-020) en 23(90453-235-000).
Bijlagen
crank-pedal-ss50zk3-france_bigma000179f14_6b62.gif
chalyb
Frequent 4T-MSB visitor
Berichten: 78
Lid geworden op: 23 dec 2011 14:43
Bezit: st70
z50j1
cd70
z50r
c70

Re: Nieuw Honda SS50 project

Bericht door chalyb »

René schreef:Gaat het eigenlijk niet om de oppervlakte van het gat en is dat eigenlijk zowat onmogelijk op te meten?
volgens mij is da u gasschofdiameter
Plaats reactie